Напишіть нам
Продукти
TAC пневматичний перемикач
  • TAC пневматичний перемикачTAC пневматичний перемикач

TAC пневматичний перемикач

Як професійне виробництво, OLK хотів би надати вам пневматичний клапан TAC. І OLK запропонує вам найкращу послугу після продажу та своєчасну доставку.

Пневматичний клапан TAC (також відомий як клапан комутатора) - це компонент точного комутації, спеціально розроблений для пневматичних систем та управління рідиною. Завдяки своїй унікальній структурі управління типом перемикання вона досягає швидкого перемикання та точного управління шляхами рідини.

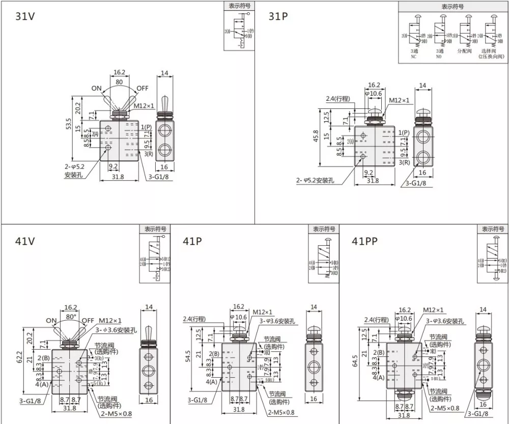
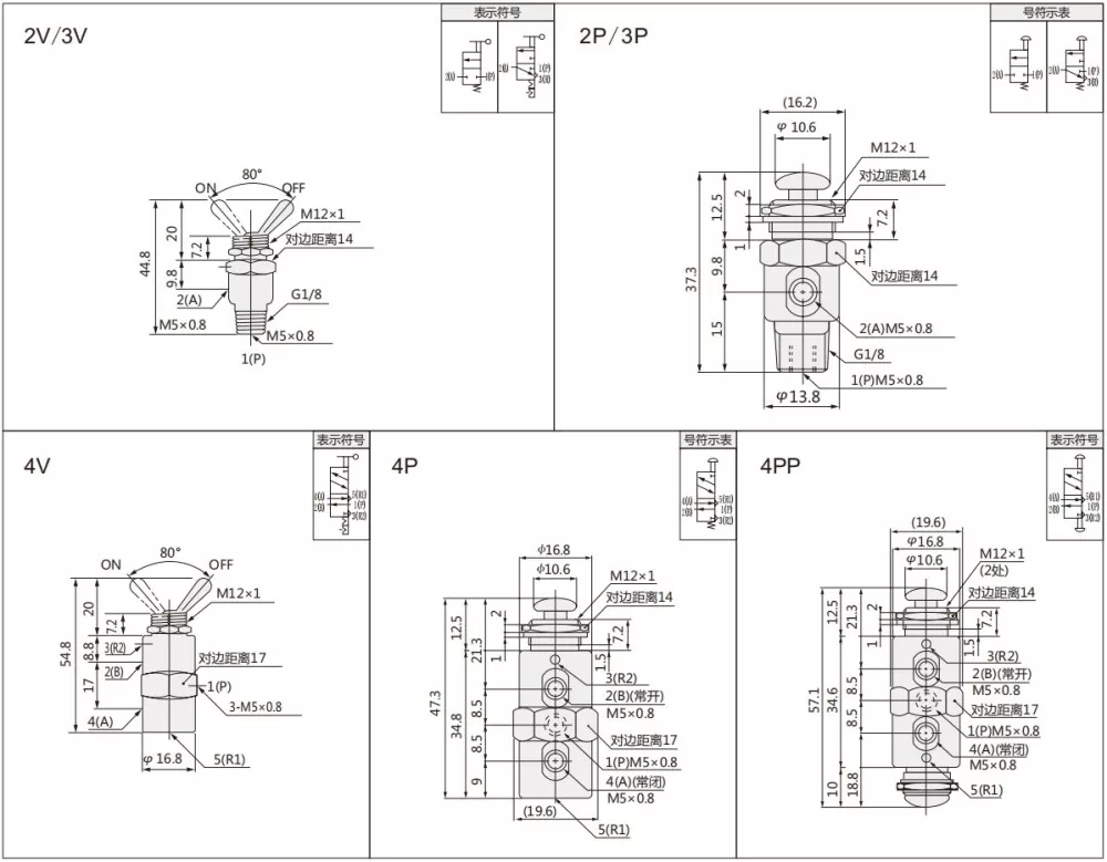
Перемикаючий клапан серії TAC має 2 позиції 2 способу, 2 позиції 3 способу та 2 позиції 5 способів можна обрати.

Сценарії застосування

Промислове обладнання для автоматизації, механічна переробка, переробка будівельних матеріалів, енергія та видобуток, промисловість продуктів харчування та напоїв, медичне обладнання тощо.

Особливості продукту

Він має невеликий розмір, вимагає невеликого місця для встановлення, і інтуїтивно зрозуміло вручну, що робить його придатним для сценаріїв, які потребують частого перемикання.

Символ та контур TAC Toggle

Код

Так

2

__

2

P

 

 

 

 

 

TAC Series Toggle Valve

 

 

2: 2 позиція 2 способу (M5)

P: Тип кнопки натискання

 

 

 

3: 2 позиція 3 способу (M5)

V: Тип важеля рук

 

 

 

4: 2 POWITION 5 WAY (M5)

PP: Двічі кнопка натискання

 

 

 

31: 2 позиція 3 способу (G1/8)

 

 

 

 

41: 2 POWITION 5 WAY (G1/8)

 

 

Модель

Розмір порту

 

Число
положення

Ефективний  
область поперечного перерізу

Діапазон тиску

Робоча рідина

Навколишній
Температура

 

TAC-2V

Вхід = outlet = m5   

2 Позиція 2 Шлях

1,9 мм²

0,05 ~ 0,9PPA

Повітря

0 ~ 60

TAC-2P

Вхід = outlet = m5   

2 Позиція 2 Шлях

1,9 мм²

TAC-3V

Вхід = outlet = m5   

2 Позиція 3 Шлях

1,9 мм²

TAC-3P

Вхід = outlet = m5   

2 Позиція 3 Шлях

1,9 мм²

TAC-4V

Вхід = outlet = m5   

2 Позиція 5 Шлях

1,9 мм²

TAC-4P

Вхід = outlet = m5   

2 Позиція 5 Шлях

1,9 мм²

4pp

G1/8

 

2 Позиція 5 Шлях

4,5 мм²

TAC2-31V

Вхід = outlet = вихлоп = G1/8   

2 Позиція 3 Шлях

4,5 мм²

TAC2-31P

Вхід = outlet = вихлоп = G1/8   

2 Позиція 3 Шлях

4,5 мм²

TAC2-41V

Вхід = outlet = G1/8 вихлоп = m5

2 Позиція 5 Шлях

4,5 мм²

TAC2-41P

Вхід = outlet = G1/8 вихлоп = m5

2 Позиція 5 Шлях

4,5 мм²

TAC2-41pp

Вхід = outlet = G1/8 вихлоп = m5

2 Позиція 5 Шлях

4,5 мм²

Поширені запитання:

Яка різниця між перемиканням клапана та механічним клапаном?

Він може бути розрізнена перемикачем клапана та механічного клапана за типом управління: Toggle клапан-це тип утримується важеля, механічний клапан-тип кнопки натискання або тип ролика

 

Яка різниця між перемиканням клапана та іншими клапанами?

Точне управління: перемикання клапанів досягають регулювання тонкого потоку через серцевину конічного клапана, яке підходить для точного управління в трубопроводах малого діаметру, тоді як кулькові клапани більш придатні для швидкого відкриття та закриття операцій.

Гарячі теги: TAC пневматичний перемикач, Китай, виробник, постачальник, фабрика
Надіслати запит
Контактна інформація
  • Адреса

    Zhengtai Road, xinguang Industrial Zone, Liushi, Yueqing, Wenzhou, Zhejiang, China.

  • Електронна пошта

    cici@olkptc.com

Ласкаво просимо на наш сайт! Щоб отримати запити щодо наших продуктів або прайс-листа, залиште нам свою електронну адресу, і ми зв’яжемося з вами протягом 24 годин.
Електронна пошта
cici@olkptc.com
Тел
86-0577 57178620
Мобільний
+86-13736765213
Адреса
Zhengtai Road, xinguang Industrial Zone, Liushi, Yueqing, Wenzhou, Zhejiang, China.
X
Ми використовуємо файли cookie, щоб запропонувати вам кращий досвід перегляду, аналізувати трафік сайту та персоналізувати вміст. Використовуючи цей сайт, ви погоджуєтеся на використання файлів cookie. Політика конфіденційності
Відхиляти прийняти